食用油精炼设备、榨油精炼设备生产厂家-国瑞油脂

精炼花生油 大豆油 葵花籽油 菜籽油 棉籽油 米糠油 ......

精炼设备

食用毛油精炼设备

  • 大豆油
    大豆油
  • 花生油
    花生油
  • 菜籽油
    菜籽油
  • 棉籽油
    棉籽油
  • 米糠油
    米糠油
  • 葵花籽油
    葵花籽油
  • 玉米油
    玉米胚芽油
  • 棕榈油
    棕榈油
  • 椰子油
    椰子油
  • 橄榄油
    橄榄油
精炼油
  • 油脂精炼设备

    类型1: 小型间歇式食用油精炼设备

    适用于小型食用油加工厂、小型食用油精炼厂
    特点:
    投资少、占地面积小、操作简便、食用毛油品类可更换。

    • 小型电加食用油热精炼设备 电加热型

      处理量:

      0.5吨/天, 1吨/天, 2吨/天

    • 小型食用油精炼设备 导热油加热型

      处理量:

      1吨/天, 2吨/天, 3吨/天, 5吨/天, 10吨/天, 20吨/天

    获取设备价格

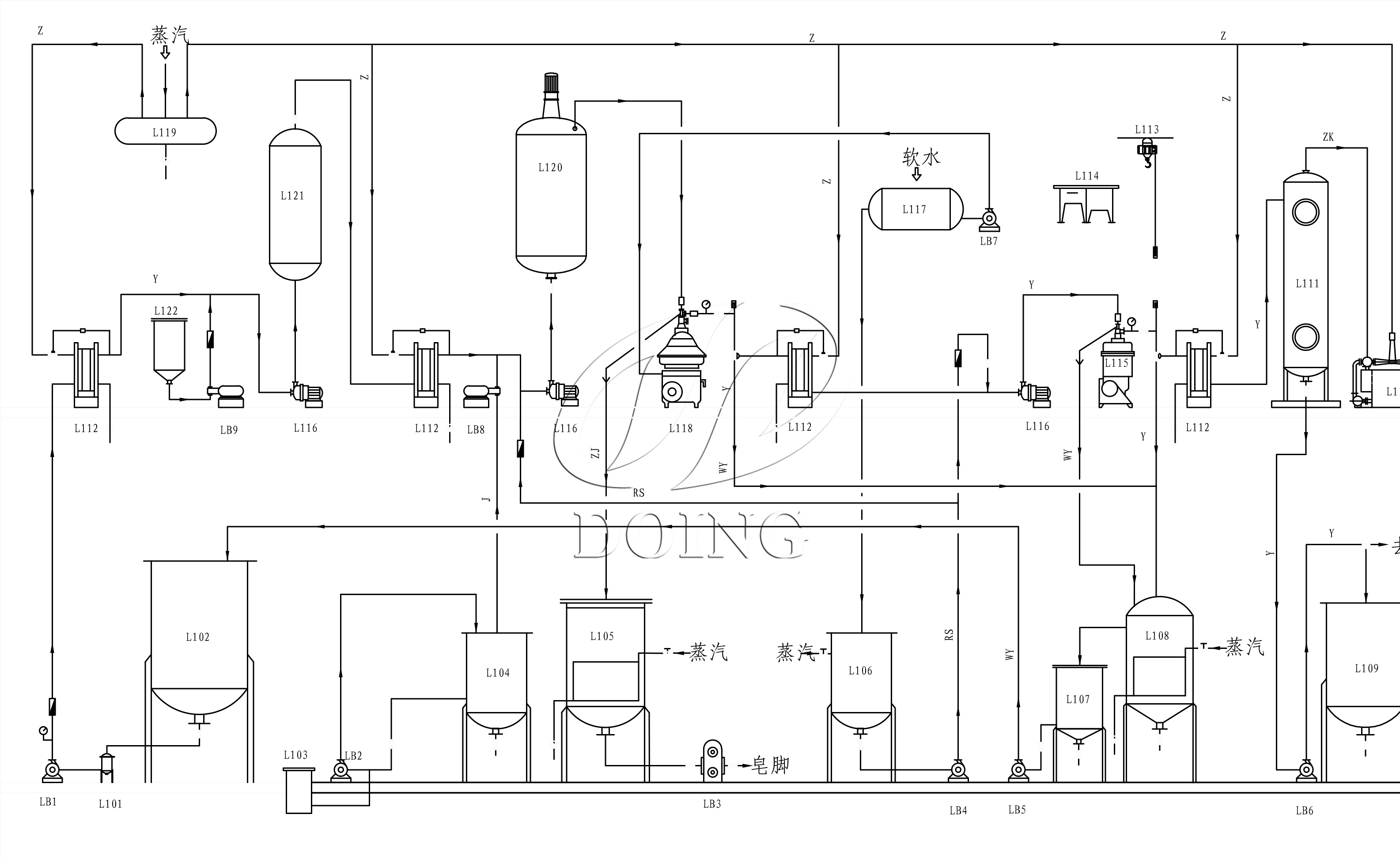
    1-5吨/天间歇式食用油精炼工艺流程图

    点击查看大图
  • 类型2: 半连续式食用油精炼设备

    处理量: 5-50吨/天
    适用于中等规模的食用油加工厂或精炼厂

    油脂精炼设备
    特点: 脱臭工段可连续进行,且可以辅助脱酸,效率更高,效果更好。
    获取设备价格

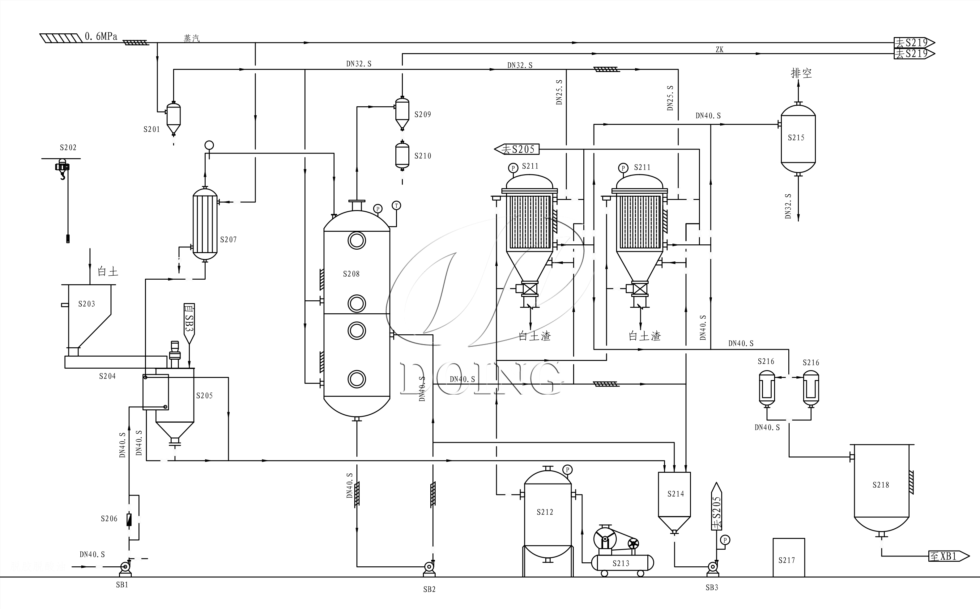
    20吨/天半连续食用油脂精炼工艺流程图

    半连续食用油脂精炼工艺流程图
    点击查看大图
  • 类型3: 全连续式食用油精炼设备

    处理量:≥30吨/天
    适用于中大型食用油加工厂或精炼厂

    全连续食用油精炼设备
    特点:整个精炼过程连续进行,自动化程度高,生产能力高,损耗小,劳动力成本低。
    获取设备价格

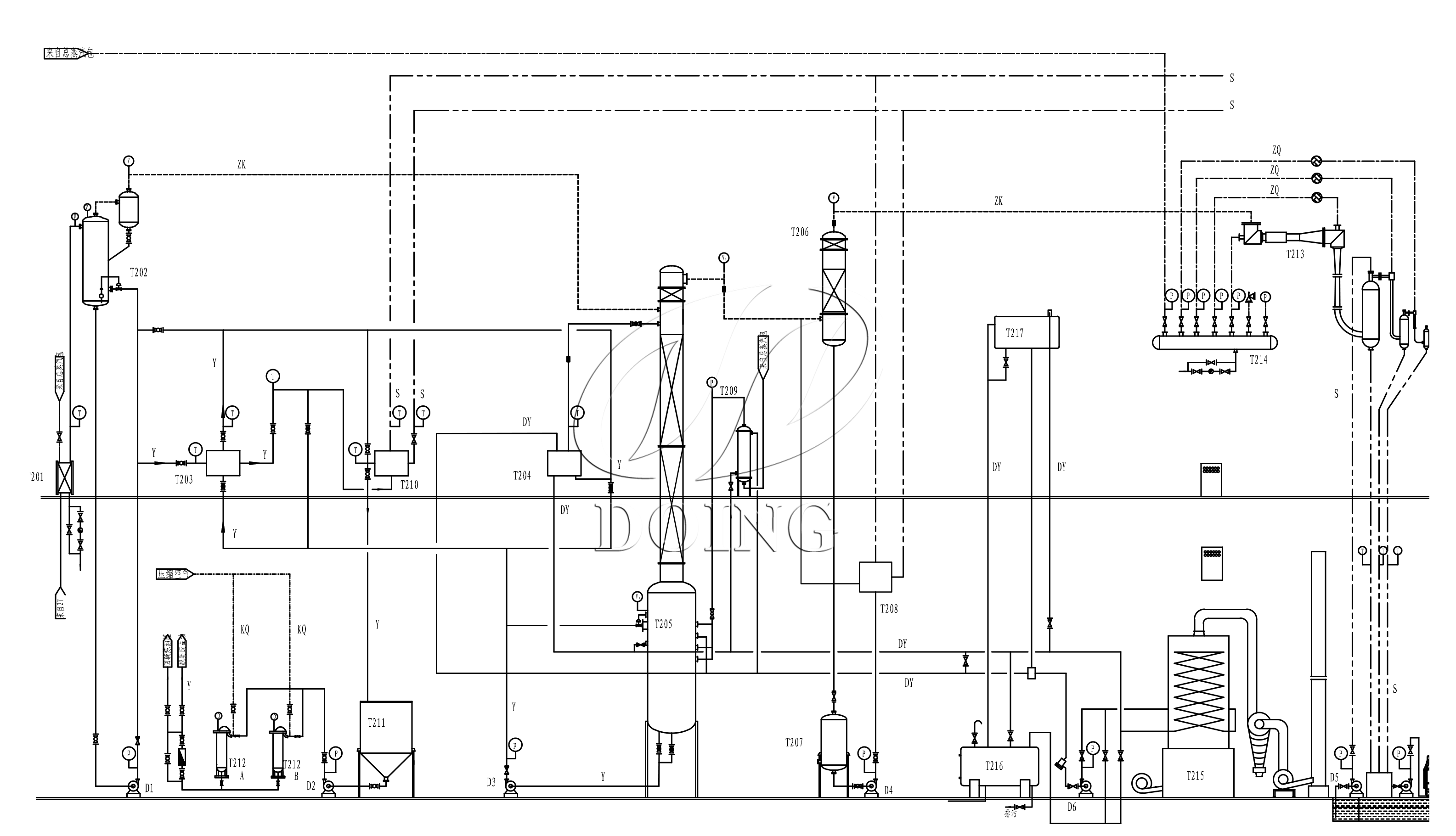
    30吨/天全连续食用油精炼工艺流程图

    点击查看大图
  • 类型4: 分提、脱蜡、冬化设备

    处理量:1-1200吨/天(分提设备),1-600吨/天(脱蜡和冬化设备)

    精炼设备
    ● 分提脱蜡冬化设备适用于棕榈油、于葵花籽油、玉米胚芽油、米糠油和亚麻籽油、棉籽油等
    获取价格
  • 食用油精炼工艺流程

    食用毛油
    物理精炼
    化学精炼
    干法脱胶
    脱色
    脱臭+脱酸
    脱蜡/冬化/分提
    食用油
    水化脱胶
    脱酸
    脱色
    脱蜡冬化分提
    脱臭
    食用油

食用油精炼工艺因毛油的特点不同、客户需求不同会有差异。国瑞油脂的工程师可以为您定制精炼工艺流程、精炼机器的配置和车间布局等。

联系国瑞

对食用油生产设备及精炼设备有需求,欢迎在下面填写详细信息,或直接拨打 15038276703. 国瑞油脂的专业工程师将会直接与您联系,为您提供油脂设备相关解决方案。

电话*:
需求 :

常见问题

  • 食用油的主要质量指标有哪些?

  • 酸价、过氧化值、水分及挥发物、溶剂残留量是食用油加工过程中主要的质量控制指标。 此外还有颜色、280℃加热试验、烟点、羰基值、黄曲霉毒素B1、凝固点、闪点、碘值、皂化值等。 不同工艺生产的油脂有不同的指标要求,您可以了解自己国家食用油的质量标准。

  • 使用食用油精炼设备可以生产出合格的精炼食用油吗?

  • 食用油精炼设备属于定制产品,是根据您的要求和毛油特性定制的。在精炼设备调试时,精炼后的食用油将在实验室反复测试,以达到国家标准为止。

  • Q

    我该如何选择食用油精炼设备?

  • A

    选择食用油精炼设备可以根据毛油的品质、精炼工艺要求、大致预算方面进行考虑,您可以告诉国瑞油脂更详细的信息,以便于国瑞油脂的工程师为您提供相应的方案。

油脂生产相关配套设备

  • 吹瓶机

    吹瓶机

  • 实验室设备

    实验室设备

  • 储油罐

    储油罐

(支持定制)

食用油灌装机

大型食用油灌装机

(支持定制 )

其他推荐产品

联系国瑞

对食用油生产及精炼有需求,请在下面填写详细信息,或直接拨打15038276703。国瑞的专业工程师将会直接与您联系,为你提供油脂生产的解决方案。

电话*:
需求 :

国瑞油脂公司简介

国瑞油脂

河南国瑞油脂工程技术有限公司是东盈控股有限公司旗下子公司,是一家集工艺设计、技术研发、生产制造、销售及售后服务为一体的综合性油脂机械制造企业。

提供食用油加工设备类型:

1-2000tpd 油料预处理及压榨设备;

30-2000tpd 食用油溶剂浸出设备;

1-1000tpd 食用油精炼设备;

其他的食用油生产配套相关设备及单机设备。

质量认证

专利证书
油脂生产设备工程案例
埃及
埃及
巴基斯坦
巴基斯坦
中国
中国
尼日利亚
尼日利亚
乌兹别克斯坦
乌兹别克斯坦
乌兹别克斯坦
乌兹别克斯坦
印度尼西亚
印度尼西亚
赞比亚
赞比亚
刚果
刚果
泰国
泰国
尼日利亚
尼日利亚
肯尼亚
肯尼亚
中国
中国
利比里亚
利比里亚
利比里亚
利比里亚
利比里亚
利比里亚
中国
中国

国瑞服务

  • 售前服务
  • 售前服务

    1.参观工厂生产车间
    2.一对一设备配置方案
    3.规划设备放置地点
  • 售中服务
  • 售中服务

    1.检查机器的生产状况
    2.传达装备制造进展
  • 售后服务
  • 售后服务

    1.一年保修
    2.指导设备安装、调试
    3.技术培训

7X24 服务

  • 2000+

    我们的客户

  • 80+

    出口国家

  • 50+

    技术工程师

  • 100+

    安装团队

  • 100K+

    意向客户

  • 24H

    技术支持

东盈控股

河南国瑞油脂工程技术有限公司

Copyright © 2011-2024.东盈控股.河南国瑞油脂工程技术有限公司 版权所有 豫ICP备20015014号-1

联系国瑞油脂

对食用油生产及精炼设备有需求,请在下面填写详细信息,或直接拨打 15038276703. 我们的专业工程师将会直接与您联系,为你提供油脂生产的解决方案。

电话*:
需求 :